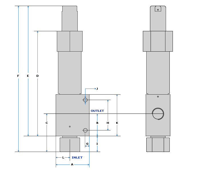
Catalog
No. |
Port Type |
Orfice inches (mm) |
Pressure Range(psi)
|
Dimensions (mm) |
| Inlet |
Outlet |
Minimum |
Maximum |
A |
B |
C |
D |
E |
F |
G |
H |
I |
J |
K |
L |
Block Thick -ness |
| KCG-RV18PPS09 |
H6009 (9/16") |
1/2" NPT |
3 |
1,000 |
15,000 |
60 |
40 |
68.2 |
189 |
234.5 |
262.9 |
7 |
55 |
28.2 |
7 |
75 |
25 |
44 |
| KCH-RV18PPS09 |
|